
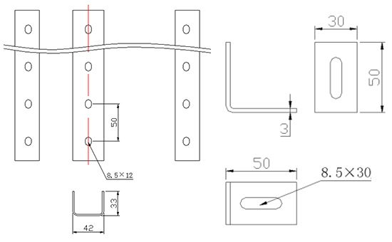
U-Pillar
Used to fixed on the ground, with two L-clips ,two expansion bolts,two M8x14 hex flange screw and two hex flange nuts. Adjustable Height,and cooperate with a variety of supporting can be used to ceiling or ground mounting.
- Can be sold individually.

Item Name | Weight | Electroplate | HDG | Powder Coating | 304 Stainless Steel | 316L Stainless Steel | |
---|---|---|---|---|---|---|---|
lbs | kg | ||||||
U-Pillar | BF521 | BF522 | BF523 | BF524 | BF525 | ||
L-Clips | BF531 | BF532 | BF533 | BF534 | BF535 |



