
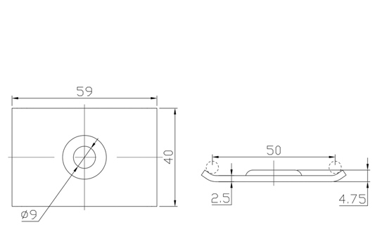
Axis Coupler
Fixed with two flange nuts on threaded rod, hanging from the ceiling. Needs PVC sockets to pretect the cable.
- Can be used as connector.
- Can be sold individually.

Item Name | Weight | Electroplate | HDG | Powder Coating | 304 Stainless Steel | 316L Stainless Steel | |
---|---|---|---|---|---|---|---|
lbs | kg | ||||||
Axis Coupler | BF061 | BF062 | BF063 | BF064 | BF065 | ||
PVC sockets | T91 |



